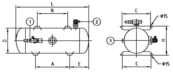
Горизонтальные модели Dintrade

1 - линия нагнетания
2 - линия всасывания
3 - соединение для предохранительного клапана
| Модель DS- | Объем дм3 | Соединения | Размеры, мм | Вес, кг |
|||||||
|---|---|---|---|---|---|---|---|---|---|---|---|
| 1 | 2 | D | L | H | A | B | C | E | |||
| 6-K | 5.7 | 1/2'' | 3/8'' | 134 | 470 | 153 | 300 | 208 | 162 | 85 | 5 |
| 13-KN | 12.4 | 5/8'' | 1/2'' | 200 | 475 | 225 | 200 | 208 | 162 | 135 | 14 |
| 18-KN | 17.4 | 22 мм | 5/8'' | 200 | 640 | 225 | 400 | 208 | 162 | 135 | 18 |
| 18-LN | 17.4 | 22 мм | 5/8'' | 200 | 640 | 225 | 400 | 295 | 180 | 145 | 18 |
| 25-LN | 24.8 | 28 мм | 22 мм | 200 | 890 | 225 | 600 | 295 | 280 | 145 | 22 |
| 38-RN | 38 | 28 мм | 22 мм | 250 | 830 | 295 | 500 | 381 | 305 | 165 | 35 |
| 52-RN | 52 | 35 мм | 28 мм | 300 | 830 | 335 | 500 | 381 | 305 | 165 | 43 |
| 75-RN | 74 | 35 мм | 28 мм | 300 | 1170 | 335 | 800 | 381 | 305 | 180 | 58 |
| 100-RN | 96 | 42 мм | 35 мм | 300 | 1505 | 335 | 800 | 381 | 305 | 395 | 73 |
| 140-N | 139 | 42 мм | 35 мм | 400 | 1260 | 800 | 305 | 230 | 87 | ||
| 200-N | 198 | 42 мм | 35 мм | 400 | 1760 | 1000 | 305 | 380 | 122 | ||
| 260-N | 257 | 42 мм | 35 мм | 400 | 2260 | 1400 | 305 | 430 | 153 | ||